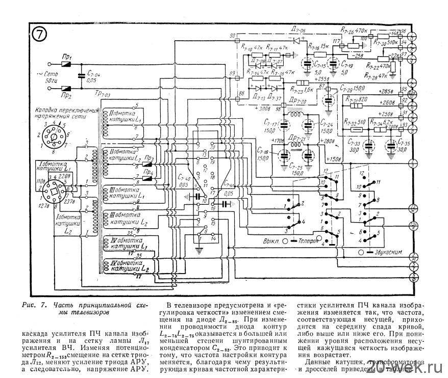
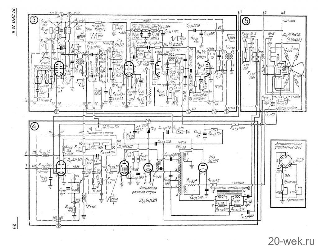
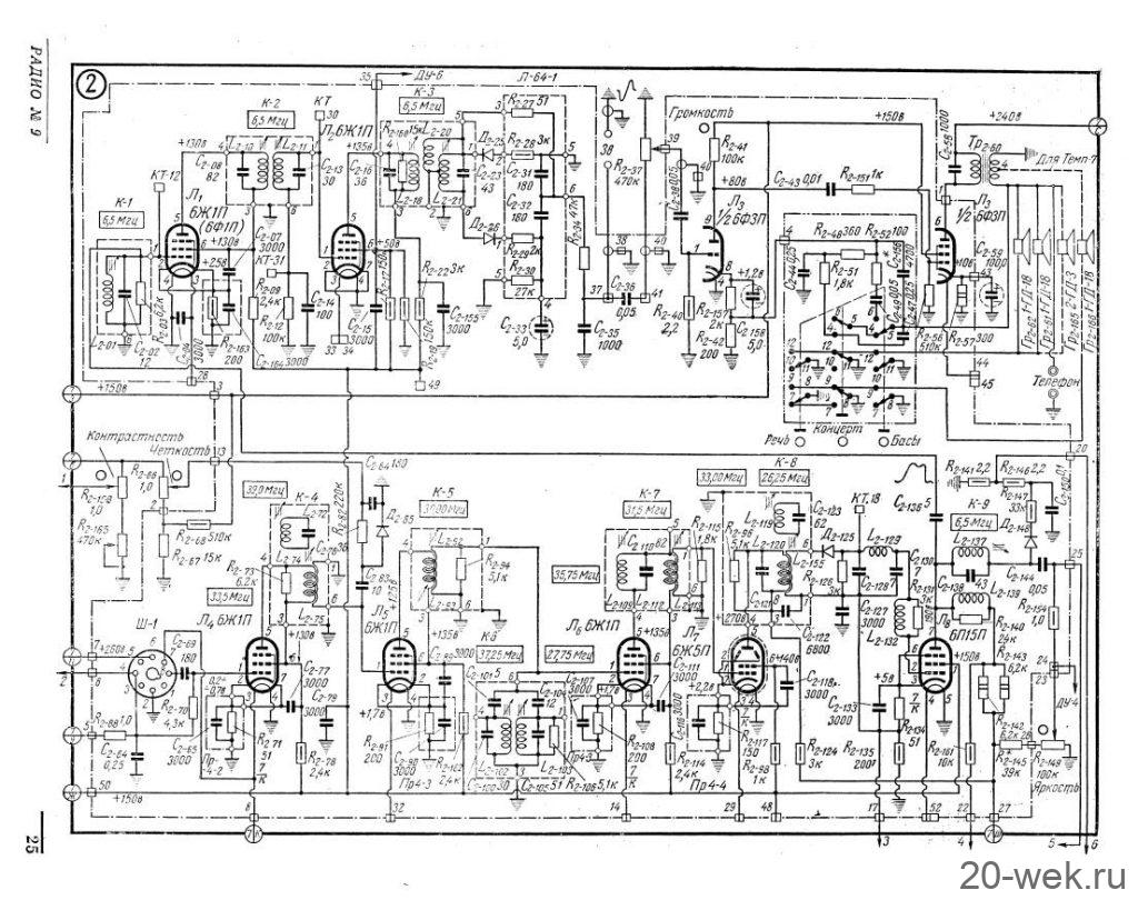
Телевизионные приёмники ч/б изображения *Темп-6* (С) и *Темп-7* (С) с 1960 года выпускал Московский радиозавод. Эти телевизоры воплотили в себе все последние достижения отечественной и зарубежной телевизионной техники начала шестидесятых. Они ни в чём не уступали лучшим зарубежным образцам, а по многим параметрам и превосходили их. Телевизоры созданы конструкторским бюро Московского радиозавода под руководством Д.С.Хейфеца. Модели представляют собой 17 ламповые 12 канальные телевизоры. Отличие в кинескопах и оформлении. В телевизоре **Темп-6** установлен кинескоп 43ЛК9Б с размером изображения 270х365 мм. В телевизоре **Темп-7** кинескоп 53ЛК6Б, с размером изображения 350х470 мм. Телевизоры имеют общую схему, конструкцию и характеристики. В телевизоре **Темп-7** за счёт большего футляра и улучшенной АС, где один громкоговоритель расположен в нижней части футляра, а другой сбоку, диапазон частот 80...8000 Гц, у телевизора **Темп-6** он 100...7000 Гц. В его АС также работают два громкоговорителя, но они находятся спереди. Номинальная выходная мощность 1 Вт. Чувствительность 100 мкВ. Такая чувствительность в сочетании с АПЧ и Ф и АРУ позволяет получить уверенный приём программ на наружную антенну в радиусе до 70 км. Потребляемая мощность 200 Вт. Имеется возможность подключения головных телефонов и звукоснимателя. Предусмотрен ППДУ для управления яркостью изображения и громкостью звука (в комплект не входит). Футляры деревянные, фанерованы ценными породами дерева. Габариты модели **Темп-6** - 444х562х338 мм. Вес 28 кг. Цена 336 рублей. Габариты телевизора **Темп-7** - 544х610х442 мм. Вес 43 кг. Цена 480 рублей. Телевизоры экспортировались в страны Европы (индекс Е) и Америки (индекс А). За годы производства (1960...1964) телевизоров **Темп-6** было изготовлено 320.000 экземпляров, **Темп-7** 13.500 экземпляров. С 1962 года Шауляйский телевизионный завод так же выпускал телевизор **Темп-6**. В конце 1964 года телевизор **Темп-7** модернизирован в модель **Темп-7Б**, но сведений об этом не нашлось. Описание и схема Радио №9/1961 ст. 24 Опыт ремонта Радио №7/1964, ст.29 Опыт ремонта Радио №12/1964, ст.29 Радио №11/1965, ст.33 Радио №1/1966, ст.28