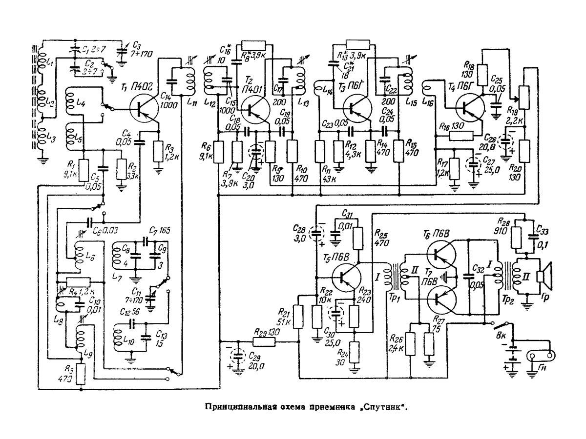
Портативный транзисторный радиоприёмник *Спутник* с весны 1957 года выпускал Воронежский радиозавод. *Спутник* один из первых переносных транзисторных приёмников в СССР. Приёмник собран по супергетеродинной схеме на 7 транзисторах, причём в усилителе НЧ использовано лишь три транзистора. Особенность приёмника - низковольтное питание, всего 5 В, правда работоспособность сохранялась в промежутке 4,7...5,5 В, чем было вызвано применение аккумуляторов, они как известно держат напряжение практически неизменным, отдавая лишь ток. Ещё особенностью приёмника было наличие в нём солнечной батареи, которая подзаряжала аккумуляторы от рассеянного или прямого света солнца при выключенном приёмнике, а от прямого солнечного света даже в паузах передачи, позволяя ему работать, не разряжая аккумуляторы. Приёмник предназначен для громкоговорящего приема радиостанций, работающих в диапазоне ДВ и СВ. Чувствительность при работе с внутренней ферритовой антенной 2000 мкВ на ДВ и 1000 мкВ на СВ. Избирательность по соседнему каналу 26 дБ на ДВ и 20 дБ на СВ. По зеркальному каналу 20 дБ. ПЧ - 465 кГц. При изменении входного сигнала на 30 дБ, автоматическая регулировка усиления обеспечивает изменение напряжения на выходе на 6 дБ. Номинальная выходная мощность 100 мВт, максимальная 130 мВт. Диапазон звуковых частот воспроизводимых громкоговорителем 0,25ГД-1 не уже 250...3000 Гц. Среднее звуковое давление 1,5...2,0 бар. Питание от четырёх малогабаритных цинково-кадмиевых аккумуляторов ЦНК-0,4 общим напряжением 5 В. Продолжительность непрерывной работы от свежезаряженных аккумуляторов 50 часов. Футляр приёмника выполнен из соснового высушенного дерева, пропитанного спиртовым раствором целлюлозы и обтянут декоративным пластиком. Размеры модели 185х125х49 мм, вес с аккумуляторами 950 г. Розничная цена модели 514 рублей (в деньгах 1957 года). Приёмник *Спутник* был экспериментальным и малосерийным (~1000) шт). В 1959 году приёмник по электрической схеме был модернизирован, но в серийный выпуск уже не пошёл. По конструкции и параметрам радиоприёмник был очень удачным и оставался лидером среди последующих подобных радиоприёмников, ещё несколько лет.