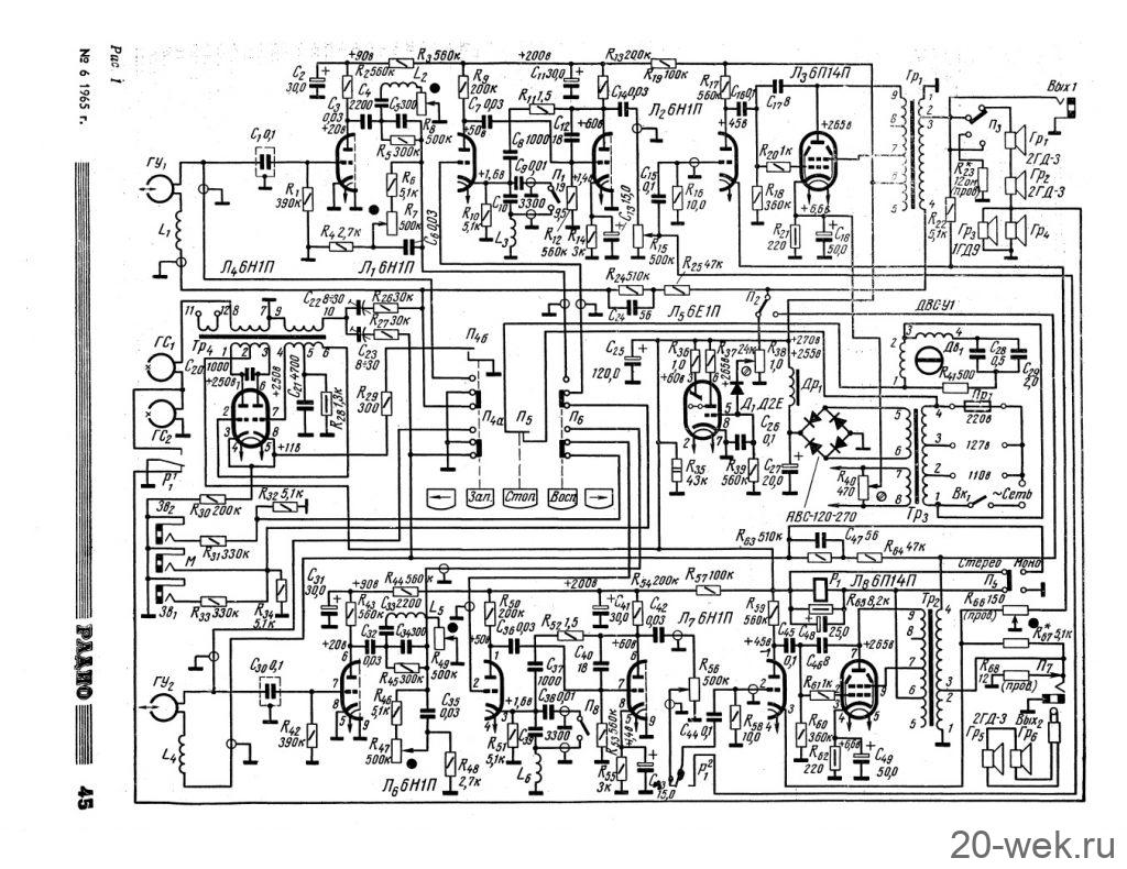
Сетевой катушечный магнитофон *Днiпро-11* с 1960 года выпускал Киевский радиозавод. В магнитофоне применена двухдорожечная система записи на магнитную ленту типа 2 и СН. Магнитофон имеет скорости движения ленты 19,05 и 9,53 см/сек. Время записи 2х30 и 2х60 мин при использовании катушек №18, ёмкостью 350 м. ленты. ЛПМ позволяет применять и катушки № 22 ёмкостью 500 м. ленты. Диапазон частот 40...12000 Гц на большей скорости, 100...6000 Гц на меньшей. Имеются регуляторы тембров. Коэффициент детонации 0,5 и 0,9%. Чувствительность усилителя записи с микрофона 0,5 мВ, звукоснимателя 200 мВ, линейного 10 мВ. Максимальная выходная мощность 5 Вт. Управление ЛПМ клавишное. Потребляемая мощность 160 Вт. Габариты 55х33х33 см. Масса 24 кг. От предшествующих моделей магнитофон отличается косвенным приводом. Асинхронный двигатель ДВА-У4 заменен синхронным ДВС-У1. Введена вторая скорость ленты. Генератор стирания и подмагничивания, как и усилитель НЧ выполнены по двухтактной схеме. Магнитофон позволяет делать трюковые записи. С магнитофона **Днепр-11** следующие модели стали именоваться **Днiпро** с добавлением цифр разработки. Описание и схема Радио №10/1961 ст.25 Радио №6/1965, ст. 44 Радио №7/1965, ст. 37 ИЗГОТОВЛЕНИЕ ПРИЖИМНОГО РОЛИКА